
产品名称:Q647H气动卸灰球阀
产品标签:球阀,气动卸灰球阀
更新时间:2019/6/2 16:26:26
上一个产品: KQ41F抗硫球阀
下一个产品:Q947H电动卸灰球阀
在线客服:
在线订购:在线订购
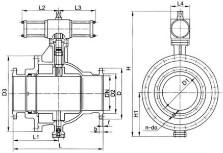
产品详情
阀体 |
阀杆 |
阀球 |
密封面 |
垫片 |
填料 |
事情温度 |
适用介质 |
WCB |
1Cr13 |
1Cr13 |
1Cr13 司太立合金 本体质料 |
柔性石墨 不锈钢加柔性石墨 08软钢 F304 F316 |
柔性石墨 编结石墨 |
-29-425℃ |
水、蒸汽、油品 |
WC6 |
15CrMo |
15CrMo |
-29-425℃ |
||||
WC9 |
25Cr2MoV |
25Cr2MoV |
|||||
LCB |
304 |
304 |
-46-354℃ |
||||
CF8 |
304 |
304 |
-196-600℃ |
部分酸、碱 |
|||
CF3 |
304L |
304L |
|||||
CF8M |
316 |
316 |
|||||
CF3M |
316L |
316L |
公称压力 |
50 |
65 |
80 |
100 |
125 |
150 |
200 |
250 |
300 |
350 |
400 |
450 |
500 |
|
系列1L |
216 |
241 |
283 |
305 |
356 |
394 |
457 |
533 |
610 |
686 |
762 |
864 |
914 |
|
系列2L |
- |
- |
- |
- |
- |
- |
500 |
600 |
700 |
800 |
900 |
- |
1000 |
|
H |
102 |
114 |
127 |
152 |
184 |
219 |
273 |
360 |
395 |
430 |
470 |
550 |
580 |
|
手动 |
H1 |
107 |
125 |
152 |
178 |
300 |
330 |
398 |
495 |
580 |
625 |
670 |
698 |
840 |
E |
- |
- |
- |
- |
- |
- |
115 |
116 |
171 |
171 |
257 |
257 |
257 |
|
F |
- |
- |
- |
- |
- |
- |
350 |
350 |
400 |
420 |
400 |
420 |
400 |
|
W |
230 |
400 |
400 |
650 |
1050 |
1050 |
600 |
600 |
800 |
800 |
800 |
800 |
800 |
|
WT(KG) |
12 |
16 |
22 |
35 |
58 |
74 |
205 |
322 |
460 |
576 |
864 |
1280 |
1600 |
|
电动 |
H2 |
- |
- |
- |
- |
- |
554 |
600 |
652 |
760 |
770 |
830 |
- |
940 |
L1 |
- |
- |
- |
- |
- |
235 |
235 |
235 |
259 |
400 |
400 |
- |
410 |
|
气动 |
H3 |
274 |
379 |
389 |
479 |
552 |
666 |
736 |
926 |
1059 |
1127 |
1127 |
1468 |
1538 |
L2 |
270 |
405 |
405 |
576 |
576 |
776 |
776 |
776 |
1060 |
1060 |
1060 |
1360 |
1360 |
|
![]() |





