
²úÆ·Ãû³Æ£ºQB641FÆø¶¯±£ÎÂÇò·§
²úÆ·±êÇ©£ºÇò·§,QB641FÆø¶¯±£ÎÂÇò·§
¸üÐÂʱ¼ä£º2019/6/4 15:39:54
ÉÏÒ»¸ö²úÆ·£º Q971Fµç¶¯¶Ô¼ÐÇò·§
ÏÂÒ»¸ö²úÆ·£ºQJ41M/FÄ͸ßÎÂÇò·§
ÔÚÏ߿ͷþ£º
ÔÚÏß¶©¹º£ºÔÚÏß¶©¹º
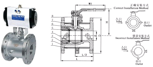
²úÆ·ÏêÇé
¹«³ÆÍ¨¾¶ |
DN15¡«200¡¢NPS 3/4¡«8 |
|||
¹«³ÆÑ¹Á¦(Mpa) |
PN1.6~2.5¡¢Class150~300¡¢10K¡¢20K |
|||
·§ÃÅÖÊÁϼ°ÊÊÓù¤¿ö |
Áã¼þÃû³Æ |
²Ä ÁÏ |
||
3.·§Ìå |
WCB |
CF8(304) |
CF8M(316) |
|
2.·§×ù |
1Cr18Ni9Ti |
1Cr18Ni9Ti |
0Cr18Ni12Mo2Ti |
|
4.ÃÜ·âȦ |
¾ÛËÄ·úÒÒÏ©¡¢¶Ôλ¾Û±¿ |
|||
5.ÇòÌå |
2Cr13 |
1Cr18Ni9Ti |
0Cr18Ni12Mo2Ti |
|
6.·§¸Ë |
2Cr13 |
1Cr18Ni9Ti |
0Cr18Ni12Mo2Ti |
|
1.¼ÐÌ× |
25 |
25 |
25 |
|
7.ÌîÁÏ |
¾ÛËÄ·úÒÒÏ©¡¢ÈáÐÔʯī |
|||
ÊÊÓýéÖÊ |
Ë®¡¢ÕôÆû¡¢ÓÍÆ· |
ÏõËáµÈÇÖÊ´ÐÔ½éÖÊ |
´×ËáµÈÇÖÊ´ÐÔ½éÖÊ |
|
ÊÊÓÃÎÂ¶È |
-29¡«180¡æ(¾ÛËÄ·úÒÒÏ©)¡¢-20¡«300¡æ£¨¶Ôλ¾Û±¿£© |
|||
Éè¼ÆÖÆÔì |
GB/T 12237-1989¡¢API 608¡¢API 6D¡¢JPI 7S-48¡¢BS5351 |
|||
½á¹¹³¤¶È |
GB/T 12221-1989¡¢ANSI B16.10£»£»£»£»£»£»£»£»JIS B2002 |
|||
ÅþÁ¬·¨À¼ |
JB/T74~90(JB74~90)¡¢GB9112~9131¡¢HGJ44-76¡¢SH3406£»£»£»£»£»£»£»£»ANSI B16.5£»£»£»£»£»£»£»£»JIS B2212~2214 |
|||
ѹÁ¦ÊÔÑé |
JB/T 9092-1999¡¢API 598 |
|||
´«¶¯·½·¨ |
ÊÖ¶¯¡¢ÎÏÂÖÎϸ˴«¶¯¡¢Æø¶¯¡¢µç¶¯ |
|||
¹«³ÆÍ¨¾¶ |
d |
L |
D |
E |
Q |
H |
W |
¹ÜÂÝÎÆ |
||
(mm) |
(in) |
(mm) |
(in) |
P |
||||||
20 |
3/4" |
19 |
117 |
40 |
1.5" |
58.5 |
147 |
101 |
170 |
G3/4" |
25 |
1" |
25 |
127 |
50 |
2" |
62.5 |
156 |
106 |
170 |
G3/4" |
40 |
1 1/2" |
38 |
165 |
65 |
2.5" |
63.5 |
181 |
125 |
250 |
G3/4" |
50 |
2" |
51 |
178 |
80 |
3" |
68 |
218 |
135 |
250 |
G3/4" |
80 |
3" |
76 |
229 |
150 |
6" |
82 |
275 |
193 |
350 |
G3/4" |
100 |
4" |
102 |
254 |
200 |
8" |
83 |
300 |
265 |
420 |
G3/4" |
150 |
6" |
152 |
292 |
250 |
10" |
95 |
403 |
355 |
800 |
G3/4" |
200 |
8" |
203 |
330 |
300 |
12" |
100 |
492 |
410 |
800 |
G3/4 |
![]() |





