
产品名称:Q41F法兰式高平台球阀
产品标签:球阀,法兰式高平台球阀
更新时间:2019/6/5 15:21:41
上一个产品: Q41F不锈钢法兰球阀
下一个产品:Q41N/F液化气自然气专用球阀
在线客服:
在线订购:在线订购
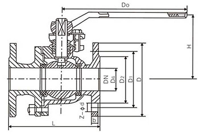
产品详情
型号: |
Q41F-16P |
品牌: |
上海BC贷 |
材质: |
不锈钢 |
毗连形式: |
法兰 |
结构形式: |
浮动球球阀 |
公称通径: |
15~450(mm) |
适用介质: |
水,,,,,气,,,,,油,,,,, |
压力情形: |
常压 |
事情温度: |
常温 |
标准: |
国标 |
流动偏向: |
双向 |
驱动方法: |
手动 |
零部件及配件: |
阀体 |
用途: |
节约 |
类型(通道位置): |
二通式 |
作用工具: |
泵 |
公称通径DN |
15 |
20 |
25 |
32 |
40 |
50 |
65 |
80 |
100 |
125 |
150 |
200 |
L |
130 |
140 |
150 |
165 |
180 |
200 |
220 |
250 |
280 |
320 |
360 |
400 |
H |
59 |
63 |
75 |
85 |
95 |
107 |
142 |
152 |
178 |
252 |
272 |
342 |
W |
130 |
130 |
160 |
180 |
230 |
230 |
400 |
400 |
650 |
1050 |
1050 |
1410 |
Wt(Kg) |
2.5 |
3 |
5 |
6 |
7 |
10 |
15 |
19 |
33 |
58 |
93 |
160 |
PN2.5MPa
公称通径DN |
15 |
20 |
25 |
32 |
40 |
50 |
65 |
80 |
100 |
125 |
150 |
200 |
L |
130 |
140 |
150 |
165 |
180 |
200 |
220 |
250 |
320 |
400 |
400 |
550 |
H |
59 |
63 |
75 |
97 |
107 |
142 |
152 |
178 |
252 |
272 |
342 |
345 |
W |
130 |
130 |
160 |
230 |
230 |
400 |
400 |
700 |
1100 |
1100 |
1500 |
1500 |
Wt(Kg) |
2.5 |
3 |
5 |
6 |
7.5 |
10 |
15 |
20 |
33 |
60 |
93 |
175 |
![]() |
注:以上的产品先容,,,,,参数,,,,,图片,,,,,数据仅用于参考,,,,,若是需更准确的资料请咨询公司手艺效劳热线:18117208829





