
产品名称:SD43F手动伸缩蝶阀
产品标签:蝶阀,手动伸缩蝶阀
更新时间:2019/6/1 11:06:36
上一个产品: GcD941W高温烟道蝶阀
下一个产品:Dt643H气动硬密封蝶阀
在线客服:
在线订购:在线订购
产品详情
SD43F手动伸缩蝶阀产品概述:
接纳标准
法兰毗连:GB9115-88;;;;;;;; GB17241.6-98
GB91113-88;;;;;;;; GB4216-84
结构长度:GB12221-89
压力试验:GB/T13927-92
SD43F手动伸缩蝶阀产品用途
本蝶阀选用于食物、饮料、医药、化工等纯净管路及工业、水处置惩罚、高层修建、给排水管路作启闭或调理介质流量之用。。。。
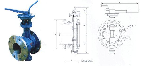
SD43F手动伸缩蝶阀主要形状尺寸
规格 |
H1 |
H2 |
H3 |
最大 |
最小 |
设计 |
D1 |
Z-d |
||||
0.6MPa |
1.0MPa |
1.6MPa |
0.6MPa |
1.0MPa |
1.6MPa |
|||||||
50 |
80 |
112 |
32 |
163 |
138 |
151 |
110 |
125 |
125 |
4-14 |
4-18 |
4-18 |
65 |
95 |
122 |
32 |
188 |
152 |
170 |
130 |
145 |
145 |
4-14 |
4-18 |
4-18 |
80 |
98 |
130 |
32 |
192 |
162 |
177 |
150 |
160 |
160 |
4-18 |
8-18 |
8-18 |
100 |
114 |
142 |
32 |
215 |
175 |
205 |
170 |
180 |
180 |
4-18 |
8-18 |
8-18 |
125 |
128 |
174 |
32 |
230 |
185 |
215 |
200 |
210 |
210 |
8-18 |
8-18 |
8-18 |
150 |
139 |
180 |
32 |
240 |
195 |
225 |
225 |
240 |
240 |
8-18 |
8-22 |
8-22 |
![]() |
注:以上的产品先容,,,,参数,,,,图片,,,,数据仅用于参考,,,,若是需更准确的资料请咨询公司手艺效劳热线:18117208829





