
产品名称:Dt643H气动硬密封蝶阀
产品标签:蝶阀,气动硬密封蝶阀
更新时间:2019/6/1 11:34:51
上一个产品: SD43F手动伸缩蝶阀
下一个产品:Dt973H电转动性金属硬密封蝶阀
在线客服:
在线订购:在线订购
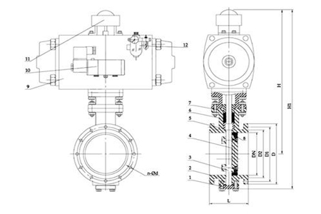
产品详情
公称通径 |
结构长度L |
形状尺寸(参考值) |
毗连(标准值) |
参考 |
||||||||||
H |
Dt643H |
PN0.6MPa |
PN1.0MPa |
|||||||||||
mm |
inch |
短 |
长 |
H2 |
A2 |
B2 |
D |
D1 |
z-d |
D |
D1 |
z-d |
||
50 |
2 |
108 |
150 |
112 |
625 |
245 |
72 |
140 |
110 |
4-14 |
165 |
125 |
4-18 |
17 |
65 |
5/2 |
112 |
170 |
115 |
625 |
245 |
72 |
160 |
130 |
4-14 |
185 |
145 |
4-18 |
20 |
80 |
3 |
114 |
180 |
120 |
645 |
245 |
72 |
190 |
150 |
4-18 |
200 |
160 |
8-18 |
23 |
100 |
4 |
127 |
190 |
138 |
675 |
355 |
92 |
210 |
170 |
4-18 |
220 |
180 |
8-18 |
25 |
125 |
5 |
140 |
200 |
164 |
715 |
355 |
92 |
240 |
200 |
8-18 |
250 |
210 |
8-18 |
40 |
150 |
6 |
140 |
210 |
175 |
800 |
355 |
92 |
165 |
225 |
8-18 |
285 |
240 |
8-22 |
47 |
200 |
8 |
152 |
230 |
208 |
850 |
250 |
170 |
320 |
280 |
8-18 |
340 |
295 |
8-22 |
60 |
250 |
10 |
165 |
250 |
243 |
925 |
250 |
170 |
375 |
335 |
12-18 |
395 |
350 |
12-22 |
95 |
300 |
12 |
178 |
270 |
283 |
1035 |
450 |
220 |
440 |
395 |
12-22 |
445 |
400 |
12-22 |
124 |
350 |
14 |
190 |
290 |
310 |
1070 |
450 |
220 |
490 |
445 |
12-22 |
505 |
460 |
16-22 |
181 |
400 |
16 |
216 |
310 |
340 |
1190 |
450 |
220 |
540 |
495 |
16-22 |
565 |
515 |
16-26 |
260 |
450 |
18 |
222 |
330 |
380 |
1250 |
650 |
280 |
595 |
550 |
16-22 |
615 |
565 |
20-26 |
338 |
500 |
20 |
229 |
350 |
410 |
1290 |
650 |
280 |
645 |
600 |
20-22 |
670 |
620 |
20-26 |
360 |
600 |
24 |
267 |
390 |
470 |
1455 |
850 |
380 |
755 |
705 |
20-26 |
780 |
725 |
20-30 |
540 |
700 |
28 |
292 |
430 |
550 |
1585 |
850 |
380 |
860 |
810 |
24-26 |
895 |
840 |
24-30 |
580 |
800 |
32 |
318 |
470 |
640 |
1700 |
1250 |
380 |
975 |
920 |
24-30 |
1015 |
950 |
24-33 |
845 |
900 |
36 |
330 |
510 |
710 |
1865 |
1250 |
380 |
1075 |
1020 |
24-30 |
1115 |
1050 |
28-33 |
1050 |
1000 |
40 |
410 |
550 |
770 |
2015 |
1500 |
580 |
1175 |
1120 |
28-30 |
1230 |
1160 |
28-36 |
1500 |
1200 |
48 |
470 |
630 |
890 |
2226 |
1500 |
580 |
1405 |
1340 |
32-33 |
1455 |
1380 |
32-39 |
2000 |
公称通径 |
结构长度L |
形状尺寸(参考值) |
毗连(标准值) |
参考 |
||||||||||
H |
Dt643H |
PN1.6MPa |
PN2.5MPa |
|||||||||||
mm |
inch |
短 |
长 |
H2 |
A2 |
B2 |
D |
D1 |
z-d |
D |
D1 |
z-d |
||
50 |
2 |
108 |
150 |
112 |
605 |
245 |
72 |
165 |
125 |
418 |
165 |
125 |
4-18 |
19 |
65 |
5/2 |
112 |
170 |
115 |
625 |
245 |
72 |
185 |
145 |
418 |
185 |
145 |
8-18 |
22 |
80 |
3 |
114 |
180 |
120 |
645 |
355 |
92 |
200 |
160 |
818 |
200 |
160 |
8-18 |
25 |
100 |
4 |
127 |
190 |
138 |
675 |
355 |
92 |
220 |
180 |
818 |
235 |
190 |
8-22 |
28 |
125 |
5 |
140 |
200 |
164 |
715 |
355 |
92 |
250 |
210 |
818 |
270 |
220 |
8-26 |
43 |
150 |
6 |
140 |
210 |
175 |
800 |
250 |
138 |
285 |
240 |
822 |
300 |
250 |
8-26 |
50 |
200 |
8 |
152 |
230 |
208 |
850 |
250 |
170 |
340 |
295 |
1222 |
360 |
310 |
12-26 |
64 |
250 |
10 |
165 |
250 |
243 |
925 |
250 |
170 |
405 |
355 |
1226 |
425 |
370 |
12-30 |
99 |
300 |
12 |
178 |
270 |
283 |
1035 |
450 |
220 |
460 |
410 |
1226 |
485 |
430 |
16-30 |
130 |
350 |
14 |
190 |
290 |
310 |
1070 |
450 |
220 |
520 |
470 |
1626 |
555 |
490 |
16-33 |
188 |
400 |
16 |
216 |
310 |
340 |
1190 |
650 |
220 |
580 |
525 |
1630 |
620 |
550 |
16-36 |
270 |
450 |
18 |
222 |
330 |
380 |
1250 |
650 |
280 |
640 |
585 |
2030 |
670 |
600 |
20-36 |
350 |
500 |
20 |
229 |
350 |
410 |
1290 |
650 |
280 |
715 |
650 |
2033 |
730 |
660 |
20-36 |
375 |
600 |
24 |
267 |
390 |
470 |
1455 |
850 |
380 |
840 |
770 |
2036 |
845 |
770 |
20-39 |
560 |
700 |
28 |
292 |
430 |
550 |
1585 |
850 |
380 |
910 |
840 |
2436 |
960 |
875 |
24-42 |
610 |
800 |
32 |
318 |
470 |
640 |
1700 |
1250 |
380 |
1025 |
950 |
2439 |
1085 |
990 |
24-48 |
880 |
900 |
36 |
330 |
510 |
710 |
1865 |
1250 |
380 |
1125 |
1050 |
2839 |
1185 |
1090 |
28-48 |
1100 |
1000 |
40 |
410 |
550 |
770 |
2015 |
1500 |
580 |
1255 |
1170 |
2842 |
1320 |
1210 |
28-56 |
1600 |
1200 |
48 |
470 |
630 |
890 |
2226 |
1500 |
580 |
1485 |
1390 |
3248 |
1530 |
1420 |
32-56 |
2150 |
公称通径DN |
结构长度 |
形状尺寸(参考值) |
|
|||||||
H |
Dt643H |
PN4.0MPa |
||||||||
mm |
inch |
短 |
长 |
H2 |
A2 |
B2 |
D |
D1 |
z-Φd |
|
50 |
2 |
108 |
150 |
112 |
675 |
245 |
72 |
165 |
125 |
4-18 |
65 |
5/2 |
112 |
170 |
115 |
625 |
355 |
92 |
185 |
145 |
8-18 |
80 |
3 |
114 |
180 |
120 |
625 |
355 |
92 |
200 |
160 |
8-18 |
100 |
4 |
127 |
190 |
138 |
645 |
355 |
92 |
235 |
190 |
8-22 |
125 |
5 |
140 |
200 |
164 |
675 |
550 |
138 |
270 |
220 |
8-26 |
150 |
6 |
140 |
210 |
175 |
715 |
550 |
138 |
300 |
250 |
8-26 |
200 |
8 |
152 |
230 |
208 |
800 |
550 |
138 |
375 |
320 |
12-30 |
250 |
10 |
165 |
250 |
243 |
850 |
550 |
138 |
450 |
385 |
12-33 |
300 |
12 |
178 |
270 |
283 |
925 |
450 |
220 |
515 |
450 |
16-33 |
350 |
14 |
190 |
290 |
310 |
1035 |
450 |
220 |
580 |
410 |
16-36 |
400 |
16 |
216 |
310 |
340 |
1070 |
650 |
288 |
660 |
585 |
16-39 |
450 |
18 |
222 |
330 |
380 |
1190 |
650 |
280 |
685 |
610 |
20-39 |
500 |
20 |
229 |
350 |
410 |
1190 |
650 |
280 |
755 |
670 |
20-42 |
![]() |





