
产品名称:D43H/D73H双偏心蝶阀
产品标签:蝶阀,,,双偏心蝶阀
更新时间:2019/5/27 11:34:54
上一个产品: D71F/D371F四氟密封对夹蝶阀
下一个产品:D43H/D73H日标蝶阀
在线客服:
在线订购:在线订购
产品详情
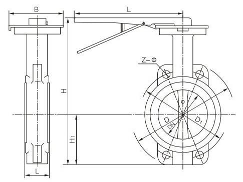
D43H/D73H双偏心蝶阀产品概述:
在单偏心蝶阀的基础上进一步改良成型的就是现在应用最普遍的双偏心蝶阀。。。。。其结构特征为在阀杆轴心既偏离蝶板中心、也偏离本体中心。。。。。双偏心的效果使阀门被开启后蝶板能迅即脱离阀座、大幅度地消除了蝶板与阀座的不须要的太过挤压、刮擦征象、减轻了开启阻距、降低了磨损、提高了阀座寿命。。。。。
产品接纳标准
结构形式 |
双偏心 |
|
设计依据 |
GB |
API |
驱动方法 |
手动、蜗轮蜗杆传动、手动、电动 |
|
设计标准 |
GB/T 12238 |
API609、MSS.SP-68 |
结构长度 |
GB/T12221 |
ASMEB16.10、API609、MSS.SP-68 |
毗连法兰 |
JB/T79、JB/T82、GB/T9115 |
ASME B16.5、ASME B16.47 |
试验和磨练 |
JB/T 9092 |
API 598 |
注:阀门毗连法兰及对焊端尺寸可凭证用户要求设计制造
主要零件质料
序号 |
材质 |
材质 |
序号 |
零件名称 |
材质 |
1 |
阀体 |
WCB、CF8、CF8M、CF8C、CF3、CF3M |
5 |
填料 |
柔性石墨 |
2 |
阀杆 |
1Cr13、2Cr13、1Cr18Ni9Ti、0Cr18Ni12Mo2Ti |
6 |
填料压盖 |
WCB、CF8、CF8M |
3 |
蝶板组合件 |
WC+f4、WCB+不锈钢复合件 |
7 |
支架 |
WCB、CF8、CF8M、CF3、CF3M |
4 |
填料垫 |
2Cr13 |
8 |
蜗轮蜗杆装置 |
|

注:以上的产品先容,,,参数,,,图片,,,数据仅用于参考,,,若是需更准确的资料请咨询公司手艺效劳热线:18117208829




